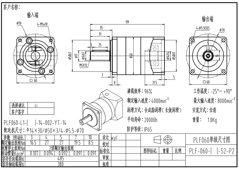
迈传PLF060-L1-5-S2-P2精密行星减速机安装尺寸图纸
迈传减速机专注行业齿轮减速机定制生产供应,PLF060单级行星减速机常用数比型号:PLF060-L1-3-S2-P2、PLF060-L1-4-S2-P2、PLF060-L1-5-S2-P2、PLF060-L1-7-S2-P2、PLF060-L1-10-S2-P2回程间隙为12arc-min~18arc-min。,PLF060-L1-5-S2-P满载效率95%,采用合成脂润滑,长效润滑,防护等级IP65,安装方式任意安装都行。
迈传PLF060-L1-5-S2-P精密行星减速机外形图如下:

迈传精密行星减速机可配伺服电机成套使用,在使用过程中噪音低,精准度高。厂家从原材料的选择到成品的输出都经过了成套的工序检验,确保产品的使用质量。厂家欢迎您的致电: 盛工 18116258006.




